


單排四點接觸球式(Q系列)
單排四點接觸球式回轉支承(Q系列)——內齒式回轉支承
結構特點、性能、適用范圍
單排四點接觸球式回轉支承由兩個座圈組成,結構緊湊,重量輕,鋼球與圓弧滾道四點接觸,能同時承受軸向力,徑向力和傾翻力矩,回轉式輸送機,焊接操作機,中小型起重機和挖掘機等工程機械均可選用。
注:
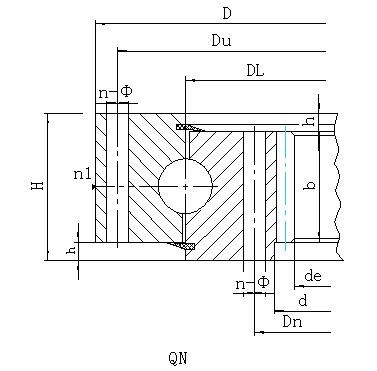
1、n1為潤滑油孔數,均布:油杯M10×1 JB/T7940.1-JB/T7940.2
2、安裝孔n-Φ可改用螺孔;齒寬b可改為H-h。
3、表內齒輪圓周力為最大圓周力,額定圓周力取其1/2。
